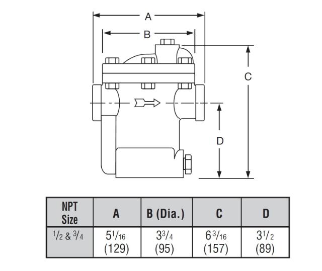
B0125A-3 Bucket Trap 3/4 in NPT 125 PSIG

404190
Brand
Hoffman
Contact JMP team for pricing
In stock In stock
Few in stock Few in stock
Factory Order Factory Order

Description

B0125A-3 Bucket Trap 3/4 in NPT 125 PSIG

Specs

Connection Size 0.75"
Connection Type Threaded
Working Pressure - MAX 250 PSI
By clicking 'Accept All' you consent that we may collect information about you for various purposes, including: Statistics and Marketing